前 言
本标准代替 GB/T 13967—1992《全宗单》。
本标准与 GB/T13967—1992 相比主要变化如下:
——标准的总体编排和结构按 GB/T1.1—2000 进行了修改;
——增加了前言;
——修改了全宗单封页和正页尺寸;
——正文和附录中去掉“全宗卡片报送情况”项目。
本标准的附录 A、附录 B、附录C 是资料性附录。
本标准由国家档案局提出并归口。
本标准起草单位:国家档案局。
本标准主要起草人:王绍忠、宋扬、丁德胜。
本标准于1992年12月17日首次发布。
正 文
1 范围
本标准规定了全宗单的内容构成、格式及栏目填写方法。
本标准适于各级各类档案馆,档案室可参照执行。
2 规范性引用文件
下列文件中的条款通过本标准的引用而成为本标准的条款。凡是注日期的引用文件,其随后所有的修改单(不包括勘误的内容)或修订版均不适用于本标准,然而,鼓励根据本标准达成协议的各方研究是否可使用这些文件的最新版本。凡是不注日期的引用文件,其最新版本适用于本标准。
GB/T7408—2005 数据元和交换格式 信息交换 日期和时间表示法(ISO 8601:2000,IDT)
3 术语和定义
下列术语和定义适用于本标准。
3.1 全宗 archives fond
一个国家机构、社会组织或个人形成的具有有机联系的档案整体。
4 全宗单内容格式
4.1 全宗单是以表格的形式反映全宗基本情况、全宗内档案成分与数量的统计文件。
4.2 全宗单的内容由全宗情况介绍和档案数量统计两部分构成。
5 全宗单格式
全宗单设封面和正页。
5.1 全宗单封面格式
5.1.1 封面用纸幅面尺寸规格为A4 型297 mm×210 mm(长×宽)。
5.1.2 全宗单封面页项目
5.1.2.1 名称:全宗单。
5.1.2.2 全宗号:馆编数字序号或代字加数字序号。
5.1.2.3 编制单位:编制全宗单的档案馆或其他档案保管单位名称。
5.1.3 全宗单封面项目位置见附录 A 。
5.2 全宗单正页格式
5.2.1 全宗单正页用纸幅面尺寸规格等于封面用纸幅面尺寸。
5.2.2 全宗单正页由全宗情况介绍表格和档案数量统计表格组成。
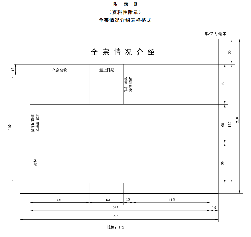
5.2.3 全宗情况介绍表格图文区规格为267mm×165mm (长×宽)。
5.2.4 全宗情况介绍表格:
上白边(天头)宽35 mm ±0.5mm。
下白边(地脚)宽10 mm± 0.5 mm。
左白边(订口)宽20mm±0.5mm。
右白边(翻口)宽10 mm± 0.5 mm。
5.2.5 档案数量统计表格图文区尺寸规格为267 mm×170 mm(长×宽)。
5.2.6 档案数量统计表格:
上白边(天头)宽30 mm±0.5 mm。
下白边(地脚)宽10 mm±0.5 mm。
左白边(订口)宽20 mm± 0.5mm。
右白边(翻口)宽10 mm±0.5 mm。
5.2.7 表格内各栏目格式与尺寸见附录B 和附录C。
6 全宗单栏目及其填写方法
6.1 全宗情况介绍
全宗情况介绍栏目包括:全宗名称、全宗名称起止日期、原全宗号、检索工具编制种类、缩微及计算机应用情况、备注。
6.1.1 全宗名称
6.1.1.1全宗名称应填写全称或规范化简称。
6.1.1.2全宗名称(所有曾用名称)按时间顺序分别填写。
6.1.1.3中华人民共和国成立前形成的档案在全宗名称的书写上应加必要的定语或说明。
例: 1.国民政府教育部
2.密云县政府(民国)
3.国民政府(汪伪)外交部
4.礼部(清)
6.1.1.4中华人民共和国成立前的个人全宗,在人名后用圆括号注明人物所属时代。
例: 1.端方(清)
2.冯玉祥(民国)
蒋中正(民国)
6.1.2 起止日期
一般采用公元纪年填写,必要时可以使用朝年或其他历法年号。使用公元纪年年号时按 GB/T 7408—2005的规定填写,起止年度之间加“~”。
6.1.3 检索工具编制种类
填写全宗有哪些类型的检索工具。
6.1.4 缩微及信息化状况
全宗档案缩微复制的数量、档案数字化的数量及使用计算机存储、检索等情况。
6.1.5 备注
需要对本全宗说明的其他事项。
6.2 档案数量统计
6.2.1 登记日期
收进或移出(移交或鉴定后销毁)档案的时间。填写方法参见6.1.2。
6.2.2 接收或移交单位名称应填写全称或规范化通用简称,禁用曾用名称。
6.2.3 档案类别
按档案的不同门类,不同载体顺序填写。
6.2.4 保管期限
按国家有关规定划分为永久、定期两种。其中定期可分为30年,10年。
6.2.5 收进档案数量
按档案类别分别填写收进已编目档案和未编目档案的数量。填写内容包括:文书档案的案卷卷数和上架排列长度(米)、科技档案的卷数和底图的张数、声像档案(影片档案)的盒(盘)数和照片档案(底 片)的张数及其他专业档案(城建档案、会计档案、地名档案、人口普查档案、艺术档案等)和各种资料的卷(册、盒)数。
6.2.6 移出档案数量
按档案类别填写移出(移交或鉴定后销毁)已编目档案和未编目档案的数量。填写内容参见6.2.5。
6.2.7 现有档案数量
按档案类别分别填写收入数减去移出后结存的已编目档案和未编目档案数量,填写内容参见6.2.5。



原文链接:https://std.samr.gov.cn/gb/search/gbDetailed?id=71F772D75CECD3A7E05397BE0A0AB82A