前 言
本标准按照 GB/T 1. 1一2009 给出的规则起草。
本标准由国家档案局提出并归口。
本标准起草单位:河北省档案局(馆) ,北京融安特智能科技股份有限公司、河北航安智能科技有限公司。
本标准主要起草人:魏四海.童红雷、耿树伟、李会生.刘开元、康建红\尚宏雁、李田、李改革、王扬、杜召伟、徐腾 .白来彬.蒋运涛、周雏京、韩建华。
引 言
本文件规定了档案馆(室)在电子文件归档与移交、电子档案存储与保管、格式转换、提供利用等过程中维护电子档案证据效力的一般要求与方法。
随着社会信息化进程的加快,信息技术已成为支撑当今经济活动和社会生活的基石。日新月异的信息技术也给档案工作带来了新的契机。档案存储设备从档案柜、手动密集架、电动密集架向智能密集架迈进。智能密集架作为多种技术的结合体,在档案保管中具备使用便捷、管理安全的优点,得到越来越多档案馆、档案室的认可。
本标准旨在规范档案密集架智能管理系统的功能以及系统的接口标准,充分发挥档案智能密集架的最大功效,以期提高档案密集架智能管理系统的可靠性、兼容性,保证档案存放的安全,支撑和规范档案部门对智能密集架的需求。
正 文
1 范围
本标准规定了档案密集架智能管理系统的功能要求、技术参数以及档案密集架智能管理系统的统一接口标准。
本标准适用于各级国家综合档案馆、国家专门档案馆、部门档案馆及机关学校、企事业单位档案室(馆)。
2 规范性引用文件
下列文件对于本文件的应用是必不可少的。凡是注日期的引用文件,仅注日期的版本适用于本文件。凡是不注日期的引用文件,其最新版本(包括所有的修改单)适用于本文件。
GB 5226. 1一2008 机械电气安全 机械电气设备 第1部分:通用技术条件(IEC 60204-1:2005,IDT)
GB/T 9969 工业产品使用说明书总则
GB/T 13667.3 钢制书架 第 3 部分:手动密集书架
3 术语和定义
GB 9969、GB/T 13667.3、GB/T 13667.4.GB/T 27703、DAVT 7 界定的以及下列术语和定义适用于本文件。
3.1 密集架智能管理系统 intelligent mobile shelving system
以各路传感器所采集的数据为基础,实现密集架的操控安全保护、信息交换、档案存取、档案环境监控等功能于一体的综合控制系统,通常安装于固定架的工控机中。
3.2 防挤压保护装置 extrusion prevention protector
通过光电保护、压力保护等方式切断驱动设备动力,防止处于两架列之间的人或物品受挤压的装置。
3.3 定位引导装置 positioning guiding device
通过密集架控制系统的档案定位功能,利用电子引导屏、位置引导灯具等设备指示档案或资料存放位置的装置。
3.4 到位检测装置 position detection device
利用磁感应技术或超声波测距技术,检测活动架是否运行到预期位置的装置。
3.5 区域控制总线 regional control bus
在智能密集架中各个部件之间传送信息的公共通路。
3.6 区域光幕装置 regional light curtain device
利用光电感应原理制成的安全保护装置,发射端和接收端分别安装于密集架区域两端,在密集架底盘与地面之间形成光幕,感知密集架区域中是否有作业人员或障碍物。
4 密集架智能管理系统要求
4.1 功能要求
4.1.1 自检功能
密集架智能管理系统在开始通电工作时,应能自动检测密集架各部件是否正常,自检结果应以直观 形式进行显现或提示o
4.1.2 操作功能
在密集架智能管理系统的主界面中应能进行以下操作:
a) 锁定:应对密集架整个区域内的活动架进行锁定,锁定后活动架应不能被动力驱动装置驱动;
b) 解除锁定:应对已经被锁定的所有活动架进行解除锁定操作,解除锁定后活动架应能被动力驱动装置驱动;
c) 向左移动:应在活动架解除锁定情况下,被动力驱动装置驱动,向左手方向(人正面面对活动架的前置面板时左手方向)移动;
d) 向右移动:应在活动架解除锁定情况下,被动力驱动装置驱动,向右手方向(人正面面对活动架的前置面板时右手方向)移动;
e) 停止移动:应使处于向左移动或向右移动过程中的活动架停止移动;
f) 合架:应使整个区域的所有活动架向其固定架靠拢;
g) 通风:密集架的所有活动架应能依次自动打开固定的一段时间,以使密集架内能够通风换气。
4.1.3 状态显示功能
密集架智能管理系统的主界面上应显示温度、湿度等实时架内环境数据,密集架的操作状态、人员进出通道的实时状态以及各项报警信息。显示内容清晰,界面布局合理。
4.1.4 查询定位
能够通过显示屏查询出密集架上的档案或资料,显示其结果,可打开存放档案或资料的密集架,并通过定位引导装置指示档案或资料所在位置。外部设备或应用可通过密集架控制系统提供的数据通信协议进行查询定位操作。
4.1.5 照明控制功能
密集架关闭时,通道照明灯应熄灭;密集架打开时,通道照明灯应点亮。超过30s通道中无人员作业,则通道照明灯应自动熄灭;当有人员进入通道时,通道照明灯应立即自动点亮。
4.1.6 语音播报功能
密集架操作及报警信息,应以普通话语音提示,语音清晰、语速平稳。
4.1.7 日志功能
密集架所有操作及报警信息,应记录日志,并永久保存。日志内容能够以文件形式导出。
4.1.8 数据通信协议
密集架控制系统应同时具备总线协议方式以及Web Service协议方式,供外部设备或外部应用进行调用;总线协议标准采用RS485接口,通过区域控制总线进行通信,但不排除同时使用其他总线通信方式的可能,总线通信协议见附录A;Web Service通信应满足数据传输安全要求,网络通信协议见附录B。
密集架位置标识码组成规则见附录C。
4.2 工控机要求
工控机是智能密集架的核心部件,通过安装在工控机上的密集架控制系统实现架体操作、查询定位、照明控制、语音播报、安全防护、架内环境监控等智能化功能。
工控机应符合以下要求:
a) 固定架工控机应具有操作系统支持;
b) 固定架工控机应提供常用的接口,包括USB接口、RS232接口及RS485接口等;
c) 固定架工控机应支持每天不少于8h的开机时长,累计使用时长应不少于30000h;
d) 固定架和活动架上的工控机显示屏均应支持触摸方式操作;
e) 显示屏应无明显划痕、无坏点、无色相缺失等异常;
f) 固定架和活动架上的工控机显示屏应安装在固定架和活动架前置面板上,位置左右居中、高度合适,便于操作。
4.3 安全保护要求
4.3.1 架体运行安全要求
为确保档案数据的安全和管理员的人身安全,架体运行应符合以下要求:
a) 密集架最边上的一列应加装锁定装置,防止无权限的人员进行操作或查看档案;
b) 每一个区域密集架的最外侧活动架均安装有保险锁,保险锁锁定状态下,活动架不能被移动;
c) 应采用防挤压保护装置如区域光幕装置、通道光幕传感器、通道出入红外传感器中的两种或两种以上的防护措施,并确保止动灵敏可靠;活动架处于打开状态时,所有的防挤压保护装置应处于工作状态;
d) 每一列活动架均需安装到位检测装置,以检测活动架的到位状态;
e) 活动架应采用电机运行电流检测装置,用以检测活动架动力驱动装置的运行是否受阻,防止架体运行异常可能造成的设备损坏和人员危险;
f) 活动架操作动作或通道人员进出,均应同时进行语音播报,要求语速平稳、语音清晰;
g) 活动架在移动时,应缓慢启动、平稳运行、缓慢停止,平均速度为3m/min~6m/min;
h) 活动架动力驱动装置不得存在继电器,避免产生火花。
4.3.2 数据传输安全
数据传输过程中应加密,以防档案或资料数据在传输过程中被非法截获破解。
密集架智能管理系统在使用时应先通过人脸识别、指纹、虹膜、密码等身份认证装置进行身份认证,身份认证通过后,智能密集架方可使用。
4.3.3 用电安全
4.3.3.1 当密集架长时间无人操作时,除固定架工控机和控制器外所有活动架断电,当人为在工控机界面任意位置触摸时立即自动通电。
4.3.3.2 密集架架体需接地良好,采用额定输出电压不超过36V的直流电源,确保金属架体不会有危害人身安全的电压存在。
4.3.3.3 连接导线,应符合以下要求:
a) 应采用阻燃导线;
b) 对易老化的导线应注明使用年限,到期更换;
c) 对所有导线均应有适当保护,以保证其绝缘层不被损伤;
d) 当导线需穿越金属孔时,应装有衬套,金属穿线孔应进行倒角,不得有锋利的边缘;
e) 接线要整齐布置,并使用线夹、电缆套、电缆卷固定,线束内的导线要有序编扎。
4.3.3.4 插接器,应符合以下要求:
a) 使用插接器时,插头两端的线色应相同;
b) 在接插完毕后,插头和插座的连接应牢固可靠,不应有松动、接触不良现象。
4.3.3.5 电器线路应有可靠的短路保护装置。短路保护装置应符合GB 5226.1—2008 中5.3的规定。
4.4 架内环境监控
应符合以下要求:
a) 智能密集架应支持采集密集架内温湿度数据;
b) 智能密集架应支持全天记录温湿度;
c) 永久保存温湿度数据,并提供温湿度数据的删除功能;
d) 智能密集架应能支持手动通风换气,同时也可支持根据设置的温度、湿度國值自动通风换气,使密集架所在区域满足档案或资料的存放条件。当密集架采集的环境数据不满足存放条件时应立即进行提示,并在界面的醒目位置显示提示信息。
5 标志
智能密集架上使用的文字、图形、标志应符合如下要求:
a) 耐久、醒目、规范;
b) 显示器、显示输出、操作说明、铭牌、标志中的文字应使用中文,根据需要也可以同时使用其他文字;
c) 智能密集架、显示屏、控制器、动力装置、安全装置应有铭牌;
d) 铭牌应安装或打印在以上设备外表面的醒目位置,铭牌尺寸应与主机结构尺寸相适宜;
e) 铭牌上应标出制造商名称、地址、商标、产品中文名称、规格型号、制造日期等内容。当铭牌尺寸不足以表示上述所有信息时,至少应标识出制造商名称、商标以及产品名称。
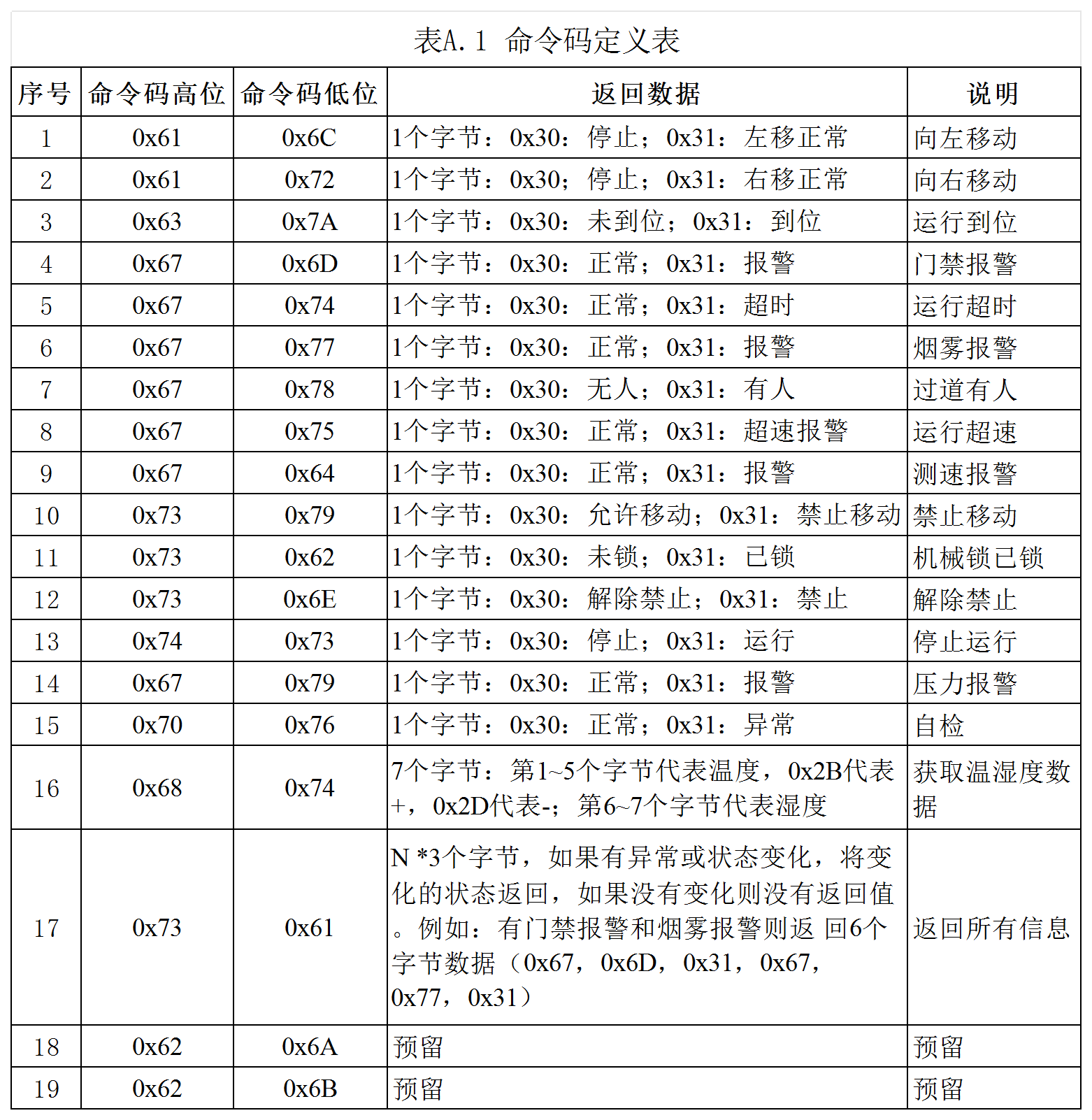
附 录 A
(规范性附录)
密集架控制系统总线通信协议
A.1 概述
本附录规定了外部设备通过区域控制总线与智能密集架间的通信要求,并规定了通信数据及参数格式。本附录适用于RS485总线通信方式。
A.2 通信传输约定
A.2.1 技术要求
通信传输应按下列要求进行:
a) 波特率:9600bps,数据结构:1位起始位,8位数据位,1位停止位,无校验;
b) 数据交换按顿传输,本协议中的数据采用ASCⅡ字符码;
c) 数据块是本数据顿所附带的与命令字相关的参数或数据;
d) 数据块长度是指本数据顿所附带的与命令字相关的参数或数据的长度,以字节数表示;
e) 命令中起始字头固定为0x3A;
f) 数据长度数值为除起始字头和数据长度以外的所有字节总数;
g) 校验位采用通用LRC校验;
h) 温度取值范围应为—20.00℃~99.99℃;
i) 湿度取值范围应为0~99 %RH。
A.2.2 数据规范
A.2.2.1 获取温湿度
固定列工控机发送给智能密集架控制器的数据顿:
a) 起始字头(1字节);
b) 数据长度(1字节);
c) 命令码高位(1字节,详见表 A.1);
d) 命令码低位(1字节,详见表 A.1);
e) 预留位(2字节);
f) LRC校验(1字节)。
智能密集架控制器返回给固定列工控机的数据顿:
a) 起始字头(1字节) ;
b) 数据长度(1字节) ;
c) 命令码高位(1字节,详见表 A.1);
d) 命令码低位(1字节,详见表 A.1);
e) 预留位(2字节);
f) 温度值(5字节,第1个字节0x2B代表+,0x2D代表-,第2~4个字节代表温度,取值 0000~9999,表示温度范围00.00℃~99.99℃);
g) 湿度值(2字节,取值00~99,表示湿度范围0~99%RH);
h) LRC校验(1字节)。
A.2.2.2 查询密集架状态
固定列工控机发送给智能密集架控制器的数据顿:
a) 起始字头(1字节);
b) 数据长度(1字节);
c) 命令码高位(1字节,详见表 A.1);
d) 命令码低位(1字节,详见表 A.1);
e) 区编号(1字节);
f) 列编号(1字节);
g) 预留位(2字节);
h) LRC校验(1字节)。
智能密集架控制器返回给固定列工控机的数据顿:
a) 起始字头(1字节);
b) 数据长度(1字节) ;
c) 命令码高位(1字节,详见表 A.1);
d) 命令码低位(1字节,详见表 A.1) ;
e) 区编号(1字节);
f) 列编号(1字节) ;
g) 预留位(2字节);
h) 数据段(n字节,0≤n≤249,数据段数组索引从0开始加1后分别对应于活动架从左到右顺序的编号,表示距右边一列的距离,单位:cm);
i) LRC校验(1字节)。
A.2.2.3 密集架控制
固定列工控机发送给智能密集架控制器的数据顿:
a) 起始字头(1字节);
b) 数据长度(1字节);
c) 命令码高位(1字节,详见表 A.1);
d) 命令码低位(1字节,详见表 A.1);
e) 区编号(1字节);
f) 列编号(1字节);
g) 预留位(2字节);
h) LRC校验(1字节)。
智能密集架控制器返回给固定列工控机的数据顿:
a) 起始字头(1字节);
b) 数据长度(1字节);
c) 命令码高位(1字节,详见表 A.1);
d) 命令码低位(1字节,详见表 A.1);
e) 区编号(1字节);
f) 列编号(1字节);
g) 预留位(2字节);
h) 数据段(n字节,0≤n≤249,数据段数组索引从0开始加1后分别对应于活动架从左到右顺序的编号,表示距右边一列的距离,单位:cm);
i) LRC校验(1字节)。

附 录 B
(规范性附录)
密集架控制系统网络通信协议
本附录规定了智能密集架工控机与外部系统间的通信要求,并规定接口名称、参数格式(见表B.1~ 表B.11)。


附 录 C
(规范性附录)
密集架位置标识码组成规则
C.1 概述
密集架位置标识码是18位数字编码,由地区编码、单位编码、库房编码、区编码、列编码、节编码、层编码、面号编码、顺序编码组成 。具体编码组成结构如图C.1所示:

C.2 地区编码
2位数字流水号组成。
C.3 单位编码
4位数字组成,地区编码+2位数字流水号。
C.4 库房编码
6位数字组成,单位编码+2位数字流水号。
C.5 区编码
8位数字组成,库房编码+2位数字流水号。
C.6 列编码
10位数字组成,区编码+2位数字流水号。
C.7 节编码
12位数字组成,列编码+2位数字流水号。
C.8 层编码
14位数字组成,节编码+2位数字流水号。
从下到上升序排列,即最靠近地面的第一层为01,向上依次增加。
C.9 面号编码
16位数字组成,层编码+2位数字流水号。
面向侧面板,左手一侧为A面,右手一侧为B面。A面以“01”表示,B面以“02”表示。
C.10 顺序编码
18位数字组成,面号编码+2位数字流水号。
从左到右升序排列,即每节最左端第一个盒位的位置号为01,向右依次增加。
参 考 文 献
[1] GB/T 27703— 2011 信息与文献 图书馆和档案馆的文献保存要求
[2] JGJ25— 2010 档案馆建筑设计规范
[3] DA/T 56— 2014 档案信息系统运行维护规范
[4] DA/T 57— 2014 档案关系型数据库转换为 XML文件时的技术规范
[5] 建标103— 2008 档案馆建设标准